
本设备适用于粉煤灰、水泥等粉状物料输送管道中作物料流向切换用,分电动、气动、手动三种操作方式,启闭可靠,工作中能确保不漏料、不漏气,本产品为我厂专利产品。专利号:9723561.0
技术参数
进出口尺寸(mm) | 300x300 | 400x400 |
倾斜夹角 | 30° | |
配用气缸(气缸) | QGB100x200 | |
配用电动推杆型号 | Dt30020 | |
适用温度 | ≦150℃ | |
工作压力 | 常压 | |
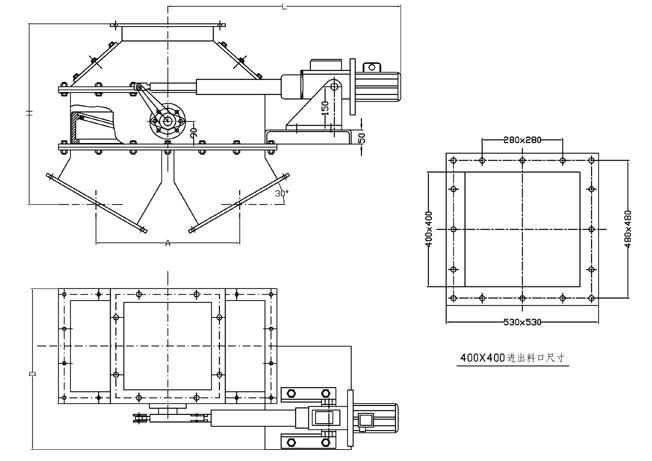
主要外观尺寸
规格 | H | L | A | D | |
电动 | 手动 | ||||
300x300 | 630 | 630 | 630 | 630 | 630 |
400x400 | 725 | 725 | 725 | 725 | 725 |
外观尺寸图
